IC timer 555 memberi solusi praktis dan relatif murah untuk berbagai aplikasi elektronik yang berkenaan dengan pewaktuan (timing). Terutama dua aplikasinya yang paling populer adalah rangkaian pewaktu monostable dan astable. komponen utama IC ini terdiri dari komparator dan flip-flop yang direalisasikan dengan banyak transistor.
Pin koneksi IC 555
Prinsip kerja komponen jenis ini tidak berubah namun masing-masing pabrikan membuatnya dengan desain IC dan teknologi yang berbeda-beda. Hampir semua pabrikan membuat komponen jenis ini, walaupun dengan nama yang berbeda-beda. Misalnya National Semiconductor menyebutnya dengan LM555, Philips dan Texas Instrument menamakannya SE/NE555. Motorola / ON-Semi mendesainnya dengan transistor CMOS sehingga komsusi powernya cukup kecil dan menamakannya MC1455. Philips dan Maxim membuat versi CMOS-nya dengan nama ICM7555. Walaupun namanya berbeda-beda, tetapi fungsi dan pin diagramnya saling kompatibel satu dengan yang lainnya .Hanya saja ada beberapa karakteristik spesifik yang berbeda misalnya konsumsi daya, frekuensi maksimum dan sebagainya. Spesifikasi lebih detail biasanya dicantumkan pada datasheet masing-masing pabrikan
Fungsi masing-masing pin:
1.Ground, adalah pin input dari sumber tegangan DC paling negative
2.trigger, input negative dari lower komparator (komparator B) yang menjaga osilasi tegangan terendah kapasitor di 1/3 Vcc dan mengatur RS flip-flop
3.output, pin keluaran dari IC 555.
4.reset, adalah pin yang berfungsi untuk me reset latch didalam IC yang akan berpengaruh untuk me-reset kerja IC. Pin ini tersambung ke suatu gate transistor bertipe PNP, jadi transistor akan aktif jika diberi logika low. Biasanya pin ini langsung dihubungkan ke Vcc agar tidak terjadi reset
5.control voltage, pin ini berfungsi untuk mengatur kestabilan tegangan referensi input negative (komparator A). pin ini bisa dibiarkan digantung, tetapi untuk menjamin kestabilan referensi komparator A, biasanya dihubungkan dengan kapasitor berorde sekitar 10nF ke pin groun
6.threshold, pin ini terhubung ke input positif (komparator A) yang akan me-reset RS flip-flop ketika tegangan pada kapasitor mulai melebihi 2/3 Vc
7.discharge, pin ini terhubung ke open collector transistor Q1 yang emitternya terhubung ke ground. Switching transistor ini berfungsi untuk meng-clamp node yang sesuai ke ground pada timing terten
8.vcc, pin ini untuk menerima supply DC voltage. Biasanya akan bekerja optimal jika diberi 5 –15V. supply arusnya dapat dilihat di datasheet, yaitu sekitar 10 -15mA.
Rangkaian Pewaktu Monostable
Rangkaian ini hanya memerlukan sedikit rangkaian tambahan untuk dapat mengoperasikannya, yaitu sebuah resistor (RA) dan 2 buah kapasitor (C1,C2). IC ini memanfaatkan rangkaian tambahan tersebut untuk men-charge dan men-discharge kapasitor C1 melalui resistor RA. fungsi rangkaian ini adalah untuk menghasilkan pulsa tunggal pada pin-3 dengan waktu tertentu jika pin-2 diberi trigger. Pada keadaan awal, output ICnya berlogika ‘0’. Dapat dilihat pada gambar di atas bahwa terdapat rangkaian pembagi tegangan untuk input referensi komparator-A dan komparator-B. Seperti yang kita ketahui prinsip kerja komparator yaitu jika Vd (beda potensial input inverting dan input non-invertingnya) bernilai positif, maka komparator akan mengeluarkan output berlogika ‘1’. Jika diberi trigger dari logika ‘1’ ke logika ‘0’ pada pin-2, maka Vd pada komparator-B akan brnilai positif dan alhasil mengeluarkan output high. Output ini akan men-set RS flip-flop (memberi keluaran IC logika ‘1’) untuk beberapa saat, seiring dengan itu, transistor Q1 akan off (open)dan kapasitor C1 akan melakukan charging sampai tegangannya mencapai 2/3 Vcc sebelum akhirnya RS flip-flop akan di reset oleh komparator-A dan kapasitor C1 melakukan discharge melalui resistor R1 secara transient. Lamanya pulsa tunggal yang dihasilkan sekitar t = 1.1 RA C1
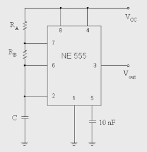
Rangkaian Pewaktu Astable
Rangkaian Astable agak berbeda dari rangkaian monostable. Rangkaian astable akan menghasilkan sinyal kotak yang terus berdetak dengan duty cycle tertentu selama catu tegangan tidak dilepaskan. Prinsip kerjanya, jika pada rangkaian monostable dipicu dengan tegangan berlogika high ke low (kurang dari 1/3 Vcc) pada pin-2, rangkaian astable ini dibuat untuk memicu dirinya sendiri. Rangkaian ini memanfaatkan osilasi tegangan pada kapasitor disekitar 1/3 Vcc sampai 2/3 Vcc. Komponen eksternal yang diperlukan adalah sebuah kapasitor (C1) dan dua buah resistor (RA dan RB). Adapun untuk kestabilan tegangan referensi komparator-A, digunakan sebuah kapasitor lagi (C2) pada pin-5 sebesar 10nF ke ground. Saat transistor Q1 ON maka resistansi menuju ground pada emitternya sangat kecil, sehingga ground seakan-akan tersambung diantara kedua resistor. Namun ketika transistor Q1 off, resistansi antara collector dan emitternya sangat besar dan sulit dilewati arus, seakan terjadi open circuit. Pada akhirnya output yang terjadi berupa sinyal kotak akan mendetak secara kontinu dengan frekuensi tertentu seiring dengan berosilasinya tegangan pada kapasitor di 1/3 Vcc sampai 2/3 Vcc. Osilasi yang dimaksud disini dapat dijelaskan yaitu, sesaat tegangan kapasitor melebihi 2/3 Vcc komparator-A mengeluarkan output high yang akan me-reset RS flip-flop dan tegangan pada kapasitor akan turun(discharging) secara transient. Sesaat tegangan pada kapasitor C1 berkurang dari 1/3 Vcc, output komparator-B akan berlogika high dan men-set RS flip-flop, selanjutnya tegangan kapasitor akan naik secara transient (charging) dan begitu seterusnya berosilasi menghasilkan pulsa. Jadi, saat berosilasi tegangan kapasitor tidak akan kurang dari 1/3 Vcc dan melebihi 2/3 Vcc.



